Bau eines Flugroboters

DDR Luftfahrt im kleinen Maßstab
DDR-TKB
Benutzer
Benutzer
Beiträge: 1903
Registriert: So 27. Apr 2008, 10:12
Postcode: 28816
Country: Germany
Wohnort: Bremen
x 2
Kontaktdaten:

Bau eines Flugroboters

Ungelesener Beitragvon DDR-TKB » Mi 19. Mär 2014, 23:26

Da ich nicht den wunderbaren Thread vom Agrarflieger ( http://www.luftfahrt-eisenach.de/ddr-luftfahrtforum/magic_viewtopic.php?f=103&t=2058 ) verunstalten möchte, mache ich zu meinem Projekt mal ein neues Thema auf. Vielleicht interessiert es ja den einen oder anderen.


Hallo Godert,

schön, mal wieder was von dir zu lesen und: Respekt!

Ich versuche auch gerade etwas Fliegendes zu basteln, aber bei mir ist es eher etwas Elektroniklastiges >grins<
Dateianhänge
robocop.jpg
0 x

Agrarflieger
Benutzer
Benutzer
Beiträge: 100
Registriert: So 11. Mär 2007, 18:01
Kontaktdaten:

Re: Z-37 im Maßstab 1:4 Baubericht

Ungelesener Beitragvon Agrarflieger » Do 20. Mär 2014, 07:07

Guido baut einen Elektroniklaster >grins<
...also den Empfänger und Herrn Arduino habe ich erkannt, aber der Rest sagt mir erst mal nichts. >kratz<
0 x

EA-Henning
Administrator
Administrator
Beiträge: 7352
Registriert: So 24. Okt 2004, 18:26
Postcode: 99817
Country: Germany
Skype-Name: EDGE-Henning
Wohnort: DE 99817 Eisenach
x 1753
x 260
Kontaktdaten:

Re: Z-37 im Maßstab 1:4 Baubericht

Ungelesener Beitragvon EA-Henning » Do 20. Mär 2014, 07:15

@ Godert:
Schön, das der Bericht weitergeht.

@ Guido:
wird das eine fliegende Grafikkarte?
0 x
Flieger sterben nicht, sie fliegen nur höher!

DDR-TKB
Benutzer
Benutzer
Beiträge: 1903
Registriert: So 27. Apr 2008, 10:12
Postcode: 28816
Country: Germany
Wohnort: Bremen
x 2
Kontaktdaten:

Re: Z-37 im Maßstab 1:4 Baubericht

Ungelesener Beitragvon DDR-TKB » Do 20. Mär 2014, 21:13

Agrarflieger hat geschrieben:Guido baut einen Elektroniklaster >grins<
...also den Empfänger und Herrn Arduino habe ich erkannt, aber der Rest sagt mir erst mal nichts. >kratz<


Nee, das wird kein Laster, aber das wär ne in Betracht zu ziehende Alternative, wenns nicht fliegt :-D Zunächst soll das ein Quadrocopter mit einer stabilisierten Flugsteuerung, die ich selbst entwickelt habe werden. Wenn das alles irgendwann mal funktioniert, dann soll das Teil (ich nenne es RoboCop :- ) irgendwann mal gesteuert via WLAN und/oder GPRS autonom fliegen.

Das Teil direkt neben dem Empfänger ist ein Lagesensor. Im Hintergrund auf dem Steckbrett ist ein Arduino-Mini, welches dann im eigentlichen Fluggerät zum Einsatz kommen soll.

Seitdem ich mit dem Studium fertig bin, hab ich endlich Zeit für den ganzen Kram :-D
0 x

DDR-TKB
Benutzer
Benutzer
Beiträge: 1903
Registriert: So 27. Apr 2008, 10:12
Postcode: 28816
Country: Germany
Wohnort: Bremen
x 2
Kontaktdaten:

Re: Bau eines Quadrocoters

Ungelesener Beitragvon DDR-TKB » Do 20. Mär 2014, 21:33

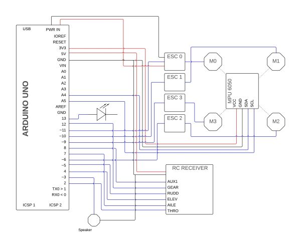
So sieht die Verkabelung am Arduino UNO aus.
Dateianhänge
pinMappingRoboCop.jpg
0 x

DDR-TKB
Benutzer
Benutzer
Beiträge: 1903
Registriert: So 27. Apr 2008, 10:12
Postcode: 28816
Country: Germany
Wohnort: Bremen
x 2
Kontaktdaten:

Re: Bau eines Flugroboters

Ungelesener Beitragvon DDR-TKB » Do 20. Mär 2014, 22:11

Die Steuersoftware ist soweit fertig (ein Begriff, bei dem ich immer starke Bauchschmezen habe), wenngleich auch sehr naiv umgesetzt, was bei der Betrachtung der Studienunterlagen eines Vereinskameraden zum Thema "Flugregelung" sehr deutlich wird. Die Steuerung ist so realisiert, dass für Roll- und Nickbewegungen mit dem Stick an der Fernsteuerung ein Winkel vorgegeben wird, der unter Mitwirkung des Lagesensors dann eingenommen werden soll.
Demnächst werden Motoren und Regler beschafft (ein Frame ist schon vorhanden) und dann geht es an die Montage und natürlich an die Justierung der Flugparameter.
Dateianhänge
roboCop01.jpg
0 x

EA-Henning
Administrator
Administrator
Beiträge: 7352
Registriert: So 24. Okt 2004, 18:26
Postcode: 99817
Country: Germany
Skype-Name: EDGE-Henning
Wohnort: DE 99817 Eisenach
x 1753
x 260
Kontaktdaten:

Re: Bau eines Flugroboters

Ungelesener Beitragvon EA-Henning » Fr 21. Mär 2014, 11:00

Guido, was muss ich mir unter einem Flugroboter vorstellen?
0 x
Flieger sterben nicht, sie fliegen nur höher!

DDR-TKB
Benutzer
Benutzer
Beiträge: 1903
Registriert: So 27. Apr 2008, 10:12
Postcode: 28816
Country: Germany
Wohnort: Bremen
x 2
Kontaktdaten:

Re: Bau eines Flugroboters

Ungelesener Beitragvon DDR-TKB » Fr 21. Mär 2014, 11:58

Zunächst baue ich einen ganz normalen Quadrocopter. Wenn das alles soweit funktioniert, soll das Gerät im nächsten Schritt autonom fliegen können. Ziel ist es, dass der Copter indoor fliegen zu lassen. Dabei soll er selbständig eine Art Karte der Umgebung anfertigen und dementsprechend auch Hindernisse erkennen können. Ist das passiert, stell ich mir vor, einen Zielpunkt des Flugweges angeben zu können und der Copter kann dann selbstständig dort hin fliegen. Man könnte auch "Flugdrohne" dazu sagen aber zum einen ist dieser Begriff mittlerweile sehr negativ konnotiert und zum anderen sind die rechtlichen Auflagen für solche Drohnen sehr restriktiv.
0 x


Zurück zu „Modelle“

Wer ist online?

Mitglieder in diesem Forum: 0 Mitglieder und 3 Gäste